应用
■ 化工和石化行业
■ 卫生、食品和饮料行业
■ 通用机械行业
■ 船舶行业
■ 过程工业
功能特性
■ 超高精度测量和稳定性
■ 测量量程可以自由调整
■ 可加装隔膜,适用复杂工况
■ 带数显屏,易操作
■ 支持NEPSI、IECEx、ATEX防爆
描述
UTD-10型压力变送器具有本安型和隔爆型(符合ATEX、IECEx和NEPSI标准)两种版本,支持4...20 mA HART ® 输出信号,可满足相应系统的应用要求。
应用广泛
UTD-10适用于许多工业测量场合,例如使用差压变送器进行流量测量、开放及密闭罐体内的液位测量或过滤器和泵监控。安装隔膜密封后,UTD-10也适用于恶劣的工艺条件。可用测量范围从-4...+4 kPa至-0.5...+4 MPa,静压限值为40 MPa,应用于各工业场景。内部数字信号处理与技术成熟的传感器相结合,可确保高准确度和长期稳定性。
易于配置和操作
用户可通过带操作模块的显示器对仪表进行配置和维护,通过代码形式进入各个配置菜单,操作菜单结构合理。
规格
隔膜密封系统填充液(其他填充液可按需提供):
证书(选项)
电气连接图
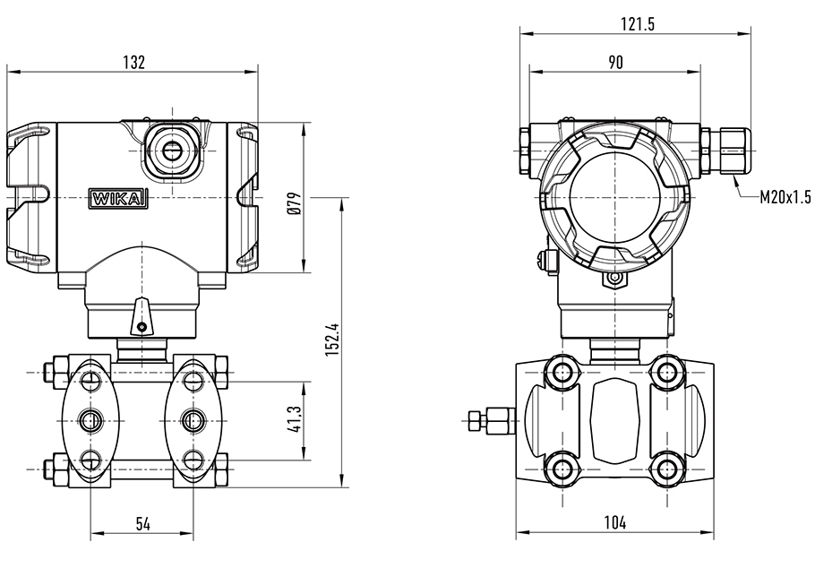
外形尺寸 单位(mm)
隔膜密封

安装隔膜密封后,UTD-10型差压式变送器能够适应过程工业中恶劣的条件,可应用于极端温度、侵蚀性、腐蚀性、异质性、研磨性、高粘性或有毒介质等工况。可采用多种无菌连接形式(例如卡盘连接,DRD无菌法兰),满足无菌过程SIP/CIP工况的严格要求。
流量一次元件

差压变送器用于流量测量时可选配流量一次元件。根据应用不同可提供孔板一次元件、孔板法兰或一体化流量计。
选型
