欢迎登陆我们官方网站,咨询电话:0510-85135958!

UTP-18型压力变送器


应用
       ■ 化工和石化行业
       ■ 卫生、食品和饮料行业
       ■ 通用机械行业
       ■ 船舶行业
       ■ 过程工业

功能特性
       ■ 超高精度测量和稳定性
       ■ 测量量程可以自由调整
       ■ 可加装隔膜,适用复杂工况
       ■ 带数显屏,易操作
       ■ 支持NEPSI、IECEx、ATEX防爆

描述
       UTP-18型压力变送器具有本安型和隔爆型(符合ATEX、IECEx和NEPSI标准)两种版本,支持4...20 mA HART ® 输出信号,可满足相应系统的应用要求。

应用广
       可用测量范围为0 ...0.01 MPa至0 ...70MPa,可自由选择量程比,适配多种应用。可选多种过程连接及金属测量元件,应用于各种工业场景。内部数字信号处理与技术成熟的传感器相结合,可确保高准确度和优秀的长期稳定性。可选配隔膜密封产品应对更为苛刻的工况。

易于配置和操作
       用户可通过带操作模块的显示器对仪表进行配置和维护,通过代码形式进入各个配置菜单,操作菜单结构合理。

规格

 

 
隔膜密封系统填充液(其他填充液可按需提供):

证书(选项)

电气连接图

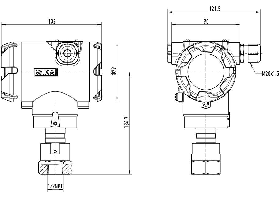
外观图(单位:mm)

 
选型

 
产品介绍